SKU: IDIV8GCK3Z |  Mfg. Part: PT-0-500PSI-01  | UPC: 873804003122  | 
 1 Reviews
 |     Share

Maretron PT-0-500PSI-01 0-500 PSI Transducer

Special Order
Ships in 1-2 weeks
Condition: New

$182.04  $245.75
Free Shipping for this Item

Product Overview

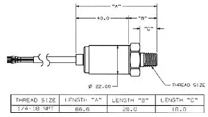
Pressure Transducer Mechanical Drawing

Pressure Transducer Specifications Part Number

Range

Accuracy

Type

PT-0-3PSI-01

0 to 3 PSI (0.21 bar)

± 2% Full Scale

Gauge

PT-0-5PSI-01

0 to 5 PSI (0.34 bar)

± 2% Full Scale

Gauge

PT-0-10PSI-01

0 to 10 PSI (0.69 bar)

± 2% Full Scale

Gauge

PT-0-50PSI-01

0 to 50 PSI (3.45 bar)

± 1% Full Scale

Gauge

PT-0-100PSI-01

0 to 100 PSI (6.89 bar)

± 0.5% Full Scale

Gauge

PT-0-500PSI-01

0 to 500 PSI (34.47 bar)

± 0.5% Full Scale

Absolute

PT-0-3000PSI-01

0 to 3000 PSI (206.84 bar)

± 0.5% Full Scale

Absolute

Specification

Value

Operating Temperature

-40°C to 105°C

Storage Temperature

-40°C to 105°C

Proof Pressure

2.4 Full Scale

Burst Pressure

2.4 Full Scale

Reverse Voltage Protection

± 16V over 5 Minutes

Construction

304L stainless steel

Pressure/Temperature Cycles

0 to FS @ 8Hz; and ?40°C to 105°C for > 1.8x106 cycles

Thermal Shock

105°C to ?40°C, 0.5 hr soaks at Temp. (2s Transfer) for 300 cycles

Vibration

100 to 2000 Hz, 20g Sinusoidal, 3 Axes for 144 hours

EMC Compatibility

10 Volts/meter per EN 61000-4-3

Humidity

85°C and 90% to 95% R. H. for 250 hours

Weight

85g

Product Details

  • Manufacturer:
  • Model Number:
  • UPC:
  • Condition:
  • Weight:
  • Dimensions:
  • Updated:
  • Added:
  • Maretron
  • PT-0-500PSI-01
  • 873804003122
  • New
  • 5 lbs
  • 5 X 5 X 5
  • Apr 14, 2026
  • Nov 24, 2025
Product Identifiers: Brand: Maretron • Part #: PT-0-500PSI-01 • UPC: 873804003122 • Category: Transducer Probes

Maretron PT-0-500PSI-01 0-500 PSI Transducer

Reviews for Maretron PT-0-500PSI-01

$182.04